- 1 拨码开关基本概念
- 2 常见的数量进制有哪些?
- 3 拨码开关二进制与十进制的关系
- 4 二进制十进制十六进制
- 5 拨码开关产品选型要点
- 6 数字电路的二进制码中为什么要用实码、补码、反码?
- 7 二进制的原码反码补码表示
- 8 二进制编码的十进制说明
- 9 拨码开关的作用
- 10 拨码开关的结构
- 11 拨码开关的工作原理
- 12 拨码开关的内部电路
- 13 拨码开关的生产制造流程
- 14 拨码开关的市场情况
- 15 有哪些知名的拨码开关品牌?
- 16 拨码开关有哪些产品应用、应用行业、应用领域?
- 17 拨码开关还有哪些别称?
- 18 拨码开关有哪些种类?
- 19 什么是旋转编码开关?
- 20 旋转编码开关的工作原理
- 21 什么是指轮式编码开关?
- 22 有哪些厂家生产指轮式开关?
- 23 拨码开关失效分析
- 24 一文读懂拨码开关
- 25 什么是面板式指轮开关
一文读懂拨码开关
- 2023-04-10 12:29:07
- kaiguan
- 7598
- 最后编辑:kaiguan 于 2023-08-23 14:08:55
目录:
一、拨码开关基本概念
二、拨码开关在电路中所起的作用
三、拨码开关的结构组成
四、拨码开关的工作原理
五、拨码开关的内部电路
六、拨码开关的生产制造流程
七、拨码开关的市场现状
八、常见知名的拨码开关品牌介绍
九、拨码开关的应用
十、拨码开关还有哪些名称?
十一、拨码开关有哪些分类?
十二、什么是旋转编码开关?
十三、什么是指轮式拨码开关?
十四、拨码开关选型要重点关注哪些方面的因素?
十五、 常见的数量进制以 及相应编码的简称。
十六、数字电路中为什么要用到实码、补码、反码?
十七、拨码开关失效分析
上海思维驰机电科技有限公司专业提供各类工业级电子开关,台湾DAILYWELL德利威、台湾DIP圆达、C&K、韩国SM等品牌开关。思维驰—世界的开关,开关的世界。产品咨询、免费样品、产品购买请点击 【联系我们】 。
一、拨码开关基本概念:
拨码开关是一种电子开关,属于电子元器件的一种。通常用于数字电路中,用于选择或设置电路的功能。
它通常由一排小的开关组成,每个开关只有两个状态,可以打开或关闭。这些开关可以设置为二进制代码,从而提供多种不同的选项。拨码开关通常用于选择存储器地址、选择输入输出端口、选择电路操作模式等应用。
拨码开关通常可以很可靠的工作,因为它们不需要任何外部能量就可以保持它们的状态。因此非常方便使用。然而,在一些应用中,拨码开关的使用可能会受到机械性能、电气特性等方面的限制。
二、 拨码开关在电路中所起的作用:
通常情况下拨码开关在电路中具有以下作用:
1、存储器地址选择:在计算机或其他数字系统中,存储器地址需要被选定才能够访问其中的数据。拨码开关可以用来选择存储器地址,每个开关表示二进制数的一位,将多个拨码开关的状态组合在一起可以表示一个完整的二进制地址。
2、输入输出端口选择:在数字系统中,输入输出端口也需要被选择才能进行数据传输。拨码开关可以用来选择输入输出端口,每个开关表示一个二进制数的一位,将多个拨码开关的状态组合在一起可以表示一个完整的二进制端口地址。
3、电路操作模式选择:在某些数字电路中,拨码开关可以用来选择电路的操作模式,例如控制信号的类型、时钟频率等;有时被称为跳线。
总之,拨码开关是一种常用的电子元器件,它能够方便地选择电路的功能,是数字电路中不可或缺的一部分。
三、 拨码开关的结构组成:
拨码开关的结构一般由若干个小型开关组成,每个小开关通常只有两种状态,即打开或关闭。拨码开关的结构可以分为以下几个部分:
开关体:开关体是拨码开关的主要组成部分,通常由塑料或金属材料制成。它包含若干个开关单元,每个开关单元内部包含一个开关,用于选择二进制编码。
弹簧片:弹簧片是连接开关体和端子的一个弹性连接部件,通常由金属制成。它能够将开关体的运动传递到端子上,并保证端子和开关体之间的电气连接可靠。
端子:端子是拨码开关的连接部件,通常由金属制成。它通常有两个或更多个针脚,用于连接电路,时常有金属镀层的区别,有镀金、镀银等。
导电接点:导电接点也称为触点或接点,是拨码开关的关键组成部分,它是开关打开或关闭时连接或断开电路的部件。导电接点通常由金属材料制成,其表面经过特殊处理,能够确保在接触时具有良好的导电性能。
总之,拨码开关的结构简单,但其设计精度要求较高,需要确保开关运动轻便、可靠连接并具有良好的电气性能。
四、 拨码开关的工作原理:
拨码开关每一个开关键对应的背面上下各有两个引脚,拨至ON一侧,对应的两个引脚接通;反之则断开。每个开关都是独立的,相互没有关联。可以非常理想的用于二进制编码。
拨码开关是一种用于数字电路中的开关元件,通常用于设置数字电路的控制参数。其工作原理可以分为以下几个方面:
构造:拨码开关通常由若干个独立的开关单元组成,每个开关单元包含若干个接点和一个控制杆,通过控制杆的移动,可以改变接点的连接状态,从而实现开关的功能。
接线:在使用拨码开关时,需要将开关的接点与数字电路中的输入端口或控制信号相连接,通过开关的连接状态,可以改变电路的运行状态。
位置编码:拨码开关的位置数决定了它可以设置的二进制编码的位数,每个位置的开关状态对应一个二进制位,通过不同位置的开关状态组合,可以得到不同的二进制编码。
码制表示:在使用拨码开关时,需要根据具体的电路要求选择适合的码表示方式,常见的有实码、反码、补码等。
电气特性:拨码开关的电气特性包括容量、绝缘电阻、接触电阻、操作力等参数,需要根据具体的电路要求选择适合的拨码开关。
总之,拨码开关的工作原理是通过控制杆的移动,改变开关接点的连接状态,从而实现二进制编码的设置和电路状态的控制。在使用拨码开关时,需要考虑其电气特性和具体的码制表示方式,以满足电路的要求。
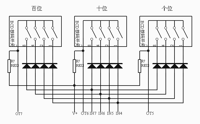
五、 拨码开关的内部电路
拨码开关的内部电路通常由若干个独立的开关单元组成,每个开关单元包含若干个接点和一个控制杆,通过控制杆的移动,可以改变接点的连接状态,从而实现开关的功能。
以下是一个拨码开关的内部电路示意图:
在这个示意图中,拨码开关由三组,每组四个开关单元组成,每个开关单元包含一组触点(内部)和一个控制杆(外部)。通过控制杆的移动,可以改变接点的连接状态,从而实现开关的功能。
需要注意的是,拨码开关的内部电路结构可以根据具体的厂家和型号而有所不同。在选型时,需要根据具体的电路要求选择合适的拨码开关,以确保其在电路中正常工作。同时,还需要考虑拨码开关的电气特性,如容量、绝缘电阻、接触电阻、操作力等参数,以满足电路的要求。
六、拨码开关的生产制造流程
拨码开关的生产制造流程包括以下几个主要环节:
原料准备:拨码开关的制造需要用到各种材料和部件,如塑料、金属、电子元器件等。这些原材料需要经过采购、检验、分类等环节,以保证其质量符合要求。
组件加工:在拨码开关的制造过程中,需要加工各种零部件,如外壳、接插件、开关单元等。这些零部件需要经过冲压、注塑、加工、焊接等工艺过程,以形成完整的拨码开关部件。
组
装测试:在零部件加工完成后,需要对其进行组装和测试。组装过程中需要对各个部件进行检查和校验,以确保其准确无误。测试过程中需要对拨码开关的电气性能、机械性能等进行测试,以确保其质量符合要求。
包装出货:在拨码开关通过组装测试后,需要进行包装和出货。包装过程中需要对拨码开关进行防潮、防震、防静电等处理,以保证其在运输和使用过程中不受到损坏。出货前需要对产品进行检查和验收,以确保其符合客户的要求和标准。
拨码开关的生产制造流程可以根据具体的厂家和型号而略所不同。在制造过程中,需要严格遵守相关的生产工艺和标准,以确保拨码开关的品质和可靠性。同时,还需要对生产过程中产生的废料和污染物进行处理和回收,以减少对环境的影响。
上海思维驰机电科技有限公司专业提供各类工业级电子开关,台湾DAILYWELL德利威、台湾DIP圆达、C&K、韩国SM等品牌开关。思维驰—世界的开关,开关的世界。产品咨询、免费样品、产品购买请点击 【联系我们】 。
七、拨码开关的市场现状 :
拨码开关广泛应用于电子设备、通信设备、家电产品、汽车电子等领域。随着电子产业的不断发展和普及,拨码开关市场需求逐渐增加。
据市场研究公司统计,全球拨码开关市场规模在2019年达到了约20亿美元,预计到2027年将达到30亿美元左右,年复合增长率约为4.5%。其中,亚太地区是全球拨码开关市场的主要消费地区,其市场份额约占全球总量的40%以上。此外,北美地区和欧洲地区也是拨码开关市场的重要消费地区。
随着科技的不断发展和应用场景的不断扩大,拨码开关的市场需求和应用领域也在不断拓展。比如,在智能家居、智能穿戴设备、智能汽车等领域,拨码开关作为一种基础性的电子元器件,将会有更广泛的应用。
当然,进近来也有越来越多的厂家加入到拨码开关的生产制造大军中来。
八、常见知名的拨码开关品牌介绍
以下是一些知名的拨码开关品牌:
ALPS:ALPS电子是一家日本电子公司,成立于1948年,拥有广泛的产品线和技术专长。其拨码开关产品系列包括DIP式、SMD式、防尘式、防水式等,广泛应用于电子设备、通信设备、汽车电子等领域 。
C&K:C&K Components是一家美国电子公司,成立于1928年,专注于开发和生产电子开关和连接器等产品。其拨码开关产品系列包括 DIP式、SMD式、防尘式、防水式等,可应用于各种电子设备和应用场景。
TE Connectivity:TE Connectivity是一家总部位于瑞士的全球性电子公司,成立于2007年,其产品覆盖了汽车、通信、消费电子、医疗设备等多个领域。其拨码开关产品系列包括DIP式、SMD式、防尘式、防水式等,可满足各种应用需求。
Omron:Omron是一家日本电子公司,成立于1933年,专注于开发和生产电子元器件和系统设备。其拨码开关产品系列包括DIP式、SMD式、轴式等多种类型,广泛应用于电子设备、通信设备、汽车电子等领域。
Panasonic:Panasonic是一家日本电子公司,成立于1918年,其产品覆盖了电子、家电、汽车、制造业等多个领域。其拨码开关产品系列包括DIP式、SMD式、轴式等多种类型,可应用于各种电子设备和应用场景。
DIP:圜达实业股份有限公司,1985年在台湾创立,专业研发制造各类程序开关、触动开关、旋转开关、微动开关、滑动开关、复合功能开关及LED开关等多项产品。
以上是一些知名的拨码开关品牌,这些品牌在电子行业内具有较高的声誉和市场占有率。同时,市场上还有许多其他品牌的拨码开关产品,用户可以根据实际需求进行选择。
九、拨码开关的应用:
拨码开关是一种开关,通常用于数字电子产品中,它可以被设置成不同的开关状态,以改变设备的配置或功能。以下是拨码开关的应用产品、行业和领域的一些例子:
1 、智能家居:拨码开关可以用于控制灯光、电视、音响等智能家居产品的配置和功能。
2 、游戏设备:拨码开关可以被用来设置游戏设备的难度、音量等配置,或者切换游戏中的不同模式。
3 、仪器仪表:拨码开关可以被用来设置仪器的量程、测量范围等配置,或者切换仪器的不同模式。 4 、汽车电子:拨码开关可以用于控制汽车的音响、空调、座椅加热器等配置和功能。
5 、工控设备:拨码开关可以被用来设置机器的工作模式、速度、加速度等配置,或者切换不同的任务。
6 、安防监控:拨码开关可以被用来控制监控设备的配置和功能,例如摄像头的曝光时间、白平衡等。
7 、通信设备:拨码开关可以被用来控制通信设备的频道、通信协议等配置。
十、拨码开关还有哪些名称? 总之,作为一种通用的电子器件,拨码开关广泛应用于数字电子产品、工业自动化、汽车电子、安防监控、通信设备等领域。
除了拨码开关这一名称外,一般还被称做以下名称: DIP 开关,程式开关、拨动开关,数字开关、超频开关,地址开关,拨拉开关,数码开关,指拨开关,编码开关,跳线开关、指拨开关、二进制开关等。总体来说,这些术语都指的是一种可以通过拨动来改变状态的开关。
十一、拨码开关有哪些分类?
拨码开关可以根据不同的分类标准进行分类,以下是一些常见的分类方法:
功能及应用:拨码开关、旋转编码开关、指轮式开关等。
接触方式:拨码开关可以分为触点式和非触点式两种。触点式拨码开关需要物理接触才能切换状态,而非触点式拨码开关则可以通过电容或电磁感应等方式实现状态切换。
端子类型:拨码开关可以分为直插式和插针式两种。直插式拨码开关的端子是直接插在电路板上的,而插针式拨码开关的端子是插在插座上的。
拨码数量:拨码开关可以分为单拨、双拨、三拨等多种,根据需要选择拨码数量。
封装形式:拨码开关可以根据不同的尺寸和形状进行分类,如 DIP 封装、 SMD 封装、接线式、面板式等。
状态类型:拨码开关可以分为二进制、十进制、十六进制等多种状态类型,根据需要选择不同的状态类型。
总之,拨码开关有多种分类方式,根据实际需求选择不同的分类方式,以选择合适的拨码开关。
上海思维驰机电科技有限公司专业提供各类工业级电子开关,台湾DAILYWELL德利威、台湾DIP圆达、C&K、韩国SM等品牌开关。思维驰—世界的开关,开关的世界。产品咨询、免费样品、产品购买请点击 【联系我们】 。
十二、什么是旋转编码开关?
旋转编码开关( RotaryEncoderSwitch )是一种电子开关,通常用于输入旋转位置信息。它由一个旋转轴和两个电子接触器组成,其中一个接触器被称为 A 相,另一个接触器被称为 B 相。旋转编码开关可以记录旋转轴的方向和速度,并且可以精确地测量旋转轴的位置。

在机械设备中,旋转编码开关通常用于控制旋转的位置和速度,例如控制机器人臂的运动或者调整音响设备的音量。在电子设备中,旋转编码开关通常用于控制菜单选项或数字输入。
十三、什么是指轮式拨码开关?
指轮式开关( DialSwitch )是一种电子开关,通常用于在电路中选择不同的功能或设置。它由一个旋转轴和多个电子接触器组成,这些接触器通常排列成环形或直线形。指轮式开关的旋转轴可以选择不同的位置来打开或关闭接触器,从而选择电路中的不同功能或设置。指轮式开关通常用于控制电路的输入、输出、选择不同的频率、选择不同的电阻等。由于指轮式开关有多个位置和电子接触器,因此它具有较高的灵活性和可编程性,因此在许多电子和电气设备中得到广泛应用。
十四、拨码开关选型要重点关注哪些方面的因素?
选型拨码开关时需要考虑以下几个方面:
位置数:拨码开关的位置数决定了它可以设置的二进制编码的位数,需要根据具体的应用需求选择适合的位置数。
容量:需要根据电路的工作电流和电压来选择合适的拨码开关容量,以确保开关在工作时不受到损坏。
绝缘电阻:需要根据电路的特点选择适合的绝缘电阻,以保证开关在不同位置时不会出现互相干扰的问题。
操作力:需要根据使用者的操作习惯以及应用场景选择适当的操作力。
环境适应性:如果拨码开关要在恶劣的环境下使用,例如高温、潮湿、腐蚀等情况,需要选择适合的材料和防护措施,以保证开关的正常工作。
品牌信誉和质量:选择知名品牌的拨码开关可以保证其质量和可靠性,减少后期维护和更换的成本。
总之,在选型拨码开关时,需要根据具体应用的电路要求,结合以上因素进行全面综合考虑,选择适合的拨码开关。
十五、常见的数量进制以及相应编码的简称
1、二进制:Binary 简称:B或BIN。由 0 和 1 两个数字组成的进制,用于表示数字电路中的开关状态。在计算机领域中,二进制是最基本的数字表示方式。
2、八进制:Octal 简称:O或OCT。由 0 到 7 十个数字组成的进制,每三位二进制数可以表示一个八进制数。在计算机领域中,八进制曾经用于表示存储器地址。
3、十进制:Decimal 简称:D或DEC。由 0 到 9 十个数字组成的进制,是人们日常生活中最常使用的进制。十进制数是按照权值原理表示的,每一位数字所代表的数值与其所处的位置有关。
4、十六进制:Hexadecimal 简称:D或HEX。由 0 到 9 和 A 到 F 共十六个数字组成的进制,每四位二进制数可以表示一个十六进制数。在计算机领域中,十六进制常用于表示存储器地址和颜色值等。
除了上述常见的进制,还有其他一些不太常见的进制,如二十四进制、六十进制等。这些进制的使用范围较为有限,通常仅用于特定的应用领域。
上海思维驰机电科技有限公司专业提供各类工业级电子开关,台湾DAILYWELL德利威、台湾DIP圆达、C&K、韩国SM等品牌开关。思维驰—世界的开关,开关的世界。产品咨询、免费样品、产品购买请点击 【联系我们】 。
十六、数字电路中为什么要用到实码、补码、反码?
在数字电路中,拨码开关通常用于设置数字电路的控制参数,这些参数通常表示为二进制码。在使用二进制码时,有时需要采用实码、补码或反码来表示。下面分别介绍一下这三种码的作用和原理:
实码:实码即二进制码的真实表示方式,即按照二进制原码的方式表示,也就是说,正数的实码的最高位是 0 ,负数的实码的最高位是 1 ,剩下的各位表示二进制的绝对值。
补码:补码是将原码的符号位不变,其余各位取反后加 1 得到的。补码是为了解决在使用实码时,加减法的进位和借位问题。在补码中,正数的补码与实码相同,而负数的补码则是用实码的绝对值表示出来,然后取反再加 1 得到的。
反码:反码是将原码的符号位不变,其余各位取反得到的。反码是为了解决在使用实码时,出现加减法的进位和借位问题。在反码中,正数的反码与实码相同,而负数的反码则是用实码的绝对值表示出来,然后取反得到的。
在使用拨码开关设置数字电路的控制参数时,常常需要采用实码、补码或反码来表示数字。例如,在一个 8 位二进制码中,采用补码表示时,最高位用来表示符号位,其余 7 位用来表示数字的绝对值,这样可以方便地表示负数。在使用拨码开关时,需要根据具体的电路要求选择适合的码表示方式。
十七、拨码开关失效分析
拨码开关失效可能有多种原因,以下是一些常见的可能性:
1、接触不良:如果拨码开关不够紧密,或者连接器和引脚上的氧化物影响了电路的连接,拨码开关可能会失效。您可以检查连接器和引脚上是否有氧化物,然后尝试调整拨码开关的位置,以便更紧密地连接。
2、电路故障:如果拨码开关与其他电路组件捆绑在一起,那么拨码开关失效的原因可能是其他组件故障。您可以检查其他电路组件是否正常运行。
3、机械损坏:如果拨码开关被强行扭曲或摔坏,那么它可能无法正常工作。您可以检查拨码开关是否损坏或磨损。
4、脱落或断裂:如果拨码开关的引脚或其他部分脱落或断裂,那么它将无法正常工作。您可以检查拨码开关的所有部分是否完好无损。
5、电源故障:如果电路的电源故障,那么拨码开关可能无法正常工作。您可以检查电路的电源是否正常工作,以排除这个问题。
总之,拨码开关失效的原因有很多,您可以通过检查连接器和引脚,检查其他电路组件的工作情况,检查拨码开关是否损坏或磨损等方法来排除问题。如果您仍然无法解决问题,建议寻求专业的技术支持。
上海汇勤电子科技有限公司 电话:021-64128995 021-64120224
手机:13917138067 邮箱:hq@hqelec.com
