AN
详情
AN-P1S-2SP-Z
AN-P1S-3SP-Z
AN-P1H-2SP-Z
AN-P1H-3SP-Z
|
AN Series
SPECIFICATIONS Operating force: Push-220±40 gf Operation / mim Operating frequency(electrical): Push-120 Operation / mim Contact resistance: 300m Ω(max) Service life(electrical) Push-Min. 1,000,000 Operations
APPLICATION Tablet,Keyboard,
Audio,Mp3player, Home appliances |
DIMENSIONS
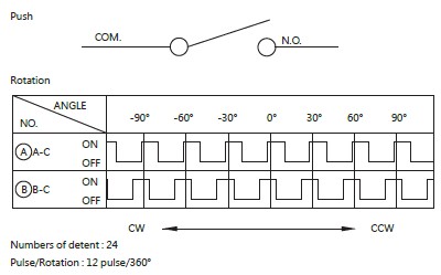
CONTACT CONFIGURATION |
联系方式
上海汇勤电子科技有限公司 电话:021-64128995 021-64120224
手机:13917138067 邮箱:hq@hqelec.com
