KAN0631K_6×6×L=4.3/5.5/6/7/9.5mm

KAN0631K_6×6×L=4.3/5.5/6/7/9.5mm


产品型号:KAN0631K
产品名称:侧卧式轻触开关
产品规格:6×6×L/L=4.3mm/5.5mm/6mm/7mm/9.5mm
产品力度:100gf/160gf/260gf
产品寿命:6万次10万次

基本参数 /PARAMETER

工作温度 -20℃to+70℃
额定电流 50mA.12V DC
绝缘电阻 100mΩ min.100V DC
介电强度 250V AC for 1 min
接触电阻 100  max
开关行程 0.25±0.1mm
高  度 3.1mm-19.85mm
按  力 100gf/160gf/260gf

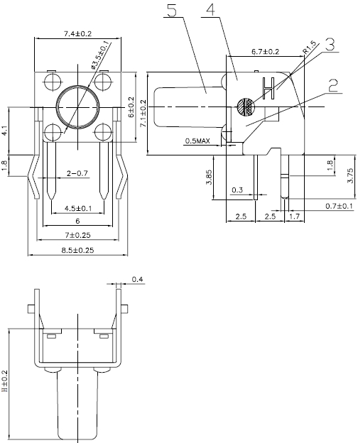
外形图 /SPECIFICATIONS



安装孔尺寸图 /MOUNTING HOLE DIMENSIONS



电路图 /SCHEMATIC



焊接条件 /WELDING CONDITIONS


联系方式

手机: 13917138067  

电话:021-64128995     021-64120224 

邮箱:hq@hqelec.com