KAN0630K-0731_6×6×7.3mm

KAN0630K-0731_6×6×7.3mm


产品型号:KAN0630K-0731
产品名称:侧卧式轻触开关
产品规格:6×6×7.3mm方头
产品力度:100gf/160gf/260gf
产品寿命:10万次/20万次/50万次/100万次

基本参数 /PARAMETER

工作温度 -20℃to+70℃
额定电流 50mA.12V DC
绝缘电阻 100mΩ min.100V DC
介电强度 250V AC for 1 min
接触电阻 100  max
开关行程 0.25±0.1m
高  度 7.3mm
按  力 100gf/160gf/260gf

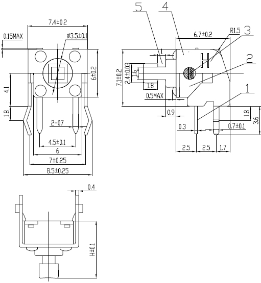
外形图 /SPECIFICATIONS



安装孔尺寸图 /MOUNTING HOLE DIMENSIONS




电路图 /SCHEMATIC



焊接条件 /WELDING CONDITIONS




联系方式

手机: 13917138067  

电话:021-64128995     021-64120224 

邮箱:hq@hqelec.com