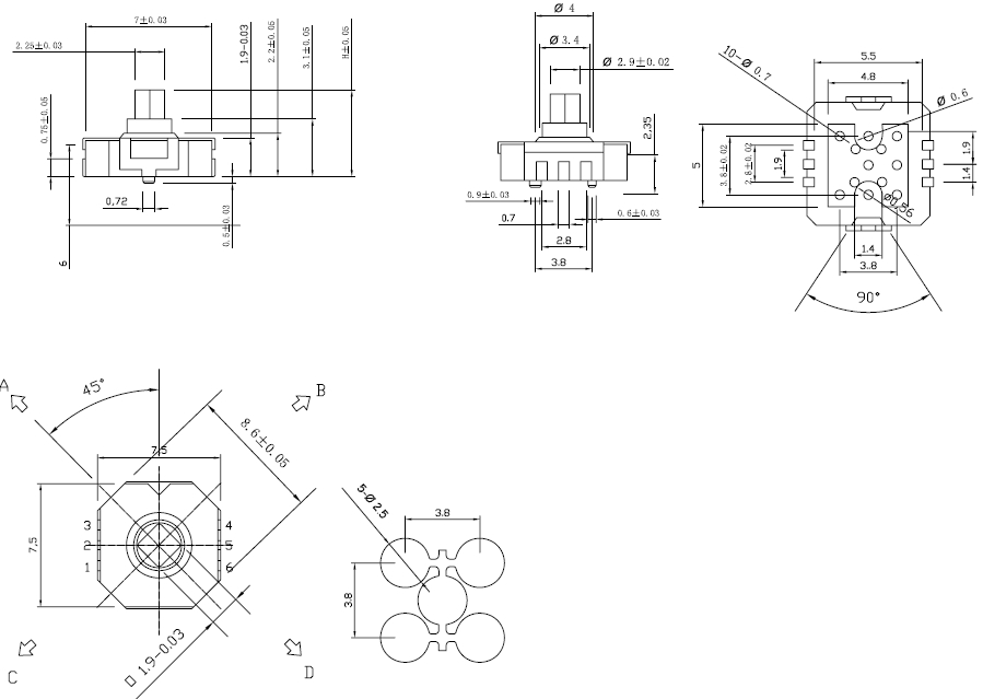
KAN0741_7.5×7.5×5/6mm
产品型号:KAN0741
产品名称:贴片式(SMD)轻触开关
产品规格:7.5×7.5×5mm/6mm
产品力度:350gf
产品寿命:3万次
产品特点:四方向+按钮操作的多方向输入型。用单一按钮实现复合操作。
产品名称:贴片式(SMD)轻触开关
产品规格:7.5×7.5×5mm/6mm
产品力度:350gf
产品寿命:3万次
产品特点:四方向+按钮操作的多方向输入型。用单一按钮实现复合操作。
详情
基本参数 /PARAMETER
| 工作温度 | -20℃to+70℃ |
| 额定电流 | 50mA.12V DC |
| 绝缘电阻 | 100mΩ min.100V DC |
| 介电强度 | 250V AC for 1 min |
| 接触电阻 | 100 mΩ max |
| 开关行程 | 0.25±0.1mm |
| 高 度 | 5mm 6mm |
| 按 力 | 160gf/260gf |
外形图 /SPECIFICATIONS
安装孔尺寸图
/MOUNTING HOLE DIMENSIONS
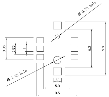
电路图
/SCHEMATIC
焊接条件
/WELDING CONDITIONS
联系方式
上海汇勤电子科技有限公司 电话:021-64128995 021-64120224
手机:13917138067 邮箱:hq@hqelec.com
