KAN0641_6×6×H=4.3-12mm
产品型号:KAN0641
产品名称:防水贴片式(SMD)轻触开关
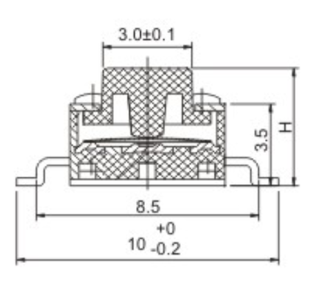
产品规格:6×6×H/H=4.3mm-12mm
产品力度:100gf/160gf/260gf
产品寿命:10万次-100万次
防水等级:IP65
产品名称:防水贴片式(SMD)轻触开关
产品规格:6×6×H/H=4.3mm-12mm
产品力度:100gf/160gf/260gf
产品寿命:10万次-100万次
防水等级:IP65
详情
基本参数 /PARAMETER
| 工作温度 | -20℃to+70℃ |
| 额定电流 | 50mA.12V DC |
| 绝缘电阻 | 100mΩ min.100V DC |
| 介电强度 | 250V AC for 1 min |
| 接触电阻 | 100mΩ max |
| 开关行程 | 0.25±0.1mm |
| 高 度 |
4.3/4.5/5.5/6.5/7/7.5/8/8.5/9/9.5/10/10.5/11/12mm |
| 按 力 | 100gf/160gf/260gf |
外形图 /SPECIFICATIONS
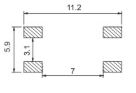
安装孔尺寸图
/MOUNTING HOLE DIMENSIONS
电路图
/SCHEMATIC
焊接条件
/WELDING CONDITIONS
联系方式
上海汇勤电子科技有限公司 电话:021-64128995 021-64120224
手机:13917138067 邮箱:hq@hqelec.com
