KAN0445_4.8X3.5mm
产品型号:KAN0445
产品名称:贴片式(SMD)轻触开关
产品规格:4.8X3.5MM
产品力度:180gf/260gf
产品寿命:5万次/10万次
产品特点:直脚.侧按.防尘防助焊剂
产品名称:贴片式(SMD)轻触开关
产品规格:4.8X3.5MM
产品力度:180gf/260gf
产品寿命:5万次/10万次
产品特点:直脚.侧按.防尘防助焊剂
详情
基本参数 /PARAMETER
| 工作温度 | -20℃to+70℃ |
| 额定电流 | 50mA.12V DC |
| 绝缘电阻 | 100mΩ min.100V DC |
| 介电强度 | 250V AC for 1 min |
| 接触电阻 | 100 mΩ max |
| 开关行程 | 0.25±0.1m |
| 高 度 |
|
| 按 力 | 180gf/260gf |
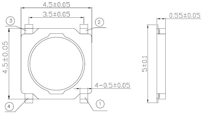
外形图 /SPECIFICATIONS
安装孔尺寸图
/MOUNTING HOLE DIMENSIONS
电路图
/SCHEMATIC
焊接条件
/WELDING CONDITIONS
联系方式
上海汇勤电子科技有限公司 电话:021-64128995 021-64120224
手机:13917138067 邮箱:hq@hqelec.com
