PB21HA04
特点:长行程 高寿命
详情
基本参数 /PARAMETER
| 工作温度 |
-20℃
~
65℃
|
| 接触形式 |
1P1T
|
| 绝缘电阻 |
≥
100M
Ω
|
| 接触电阻 | 100m Ω max |
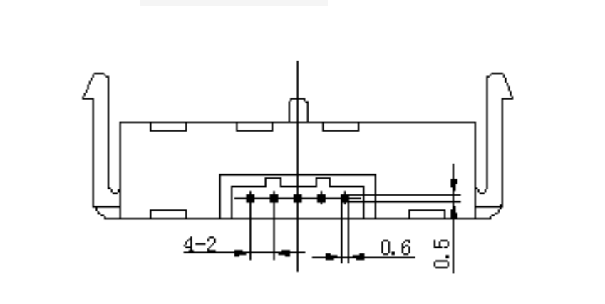
| 开关行程 |
空行程:
1.5
±
0.3mm
导通行程:
3.5
±
0.3mm
总行程:
5
±
0.3mm
|
| 寿 命 |
机械寿命:150000 电气寿命:100000 |
| 按 力 |
80 ±20 gf
|
产品规格书 /SPECIFICATIONS
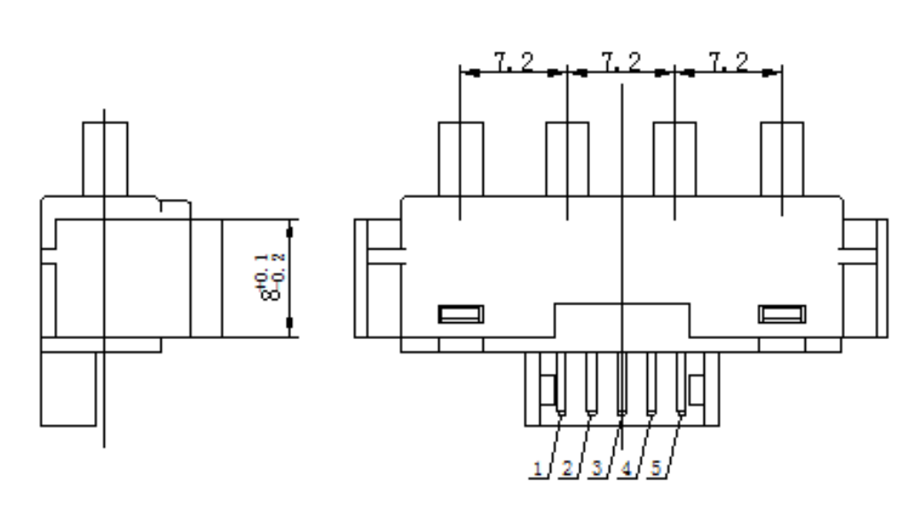
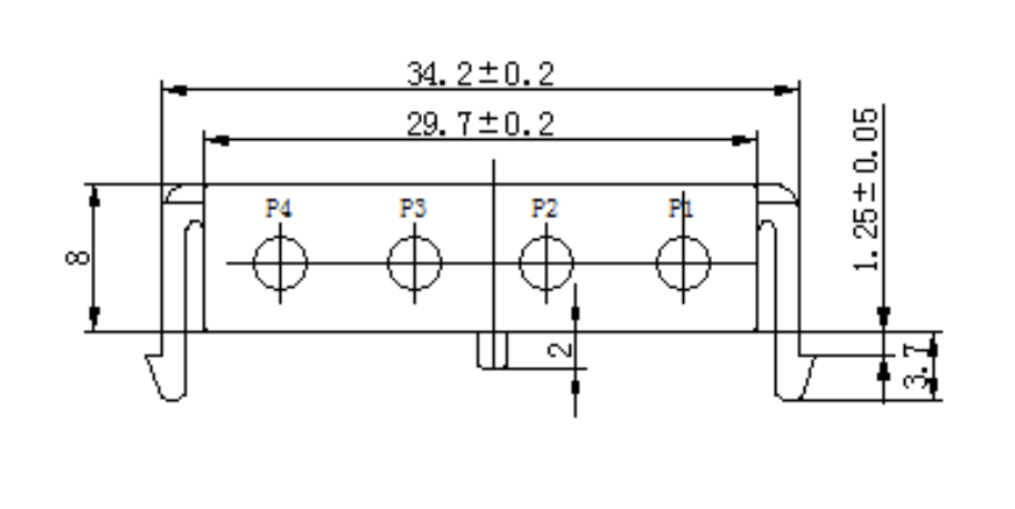
安装孔尺寸图
/MOUNTING HOLE DIMENSIONS
电路图
/SCHEMATIC
应用行业
/BY INDUSTRY
- ALPS-阿尔卑斯
- APEM-阿贝
- C-KSwitch
- ★C&K
- Carling-嘉灵
- CTS-西迪斯
- ★DAILYWELL-德利威
- DICGU
- ★DIPTRONICS-圜达
- ECE-百容
- E-SWITCH
- ★GangYuan-港源
- ★Hampolt/plaimae
- HARTMANN
- HIGHLY-海立
- HONGJU-宏聚
- HUANLI-寰立
- HRO-韩荣
- ITW/LUMEX-安天德
- JICTEN
- ★JIETONG
- ★KE-广督
- ★KNLN-金隆
- Light Country-亮群
- MEC
- ★T-MEC(Misaki)-美琪
- NIDEC-COPAL
- ★NKK-日开
- ★OMRON-欧姆龙
- OTAX
- SAB(BIWIN)
- ★SALECOM-兴瀚
- SMK-艾斯艾姆开
- ★SMSWITCH-艾斯艾姆
- SUNGMUN-星炆
- TACLEX
- WB-雄美
- XKB
- YONGXING-永星
- ZF
- ZINGEAR-晋煜
- ★ZIPPY-新巨
- 产品分类
上海汇勤电子科技有限公司 电话:021-64128995 021-64120224
手机:13917138067 邮箱:hq@hqelec.com
