PB21HA01

PB21HA01


型号: PB21HA01
特点:长行程 高寿命

基本参数 /PARAMETER

工作温度 -40℃~85℃
绝缘电阻 100m
寿命 200000
接触电阻 100m Ω max
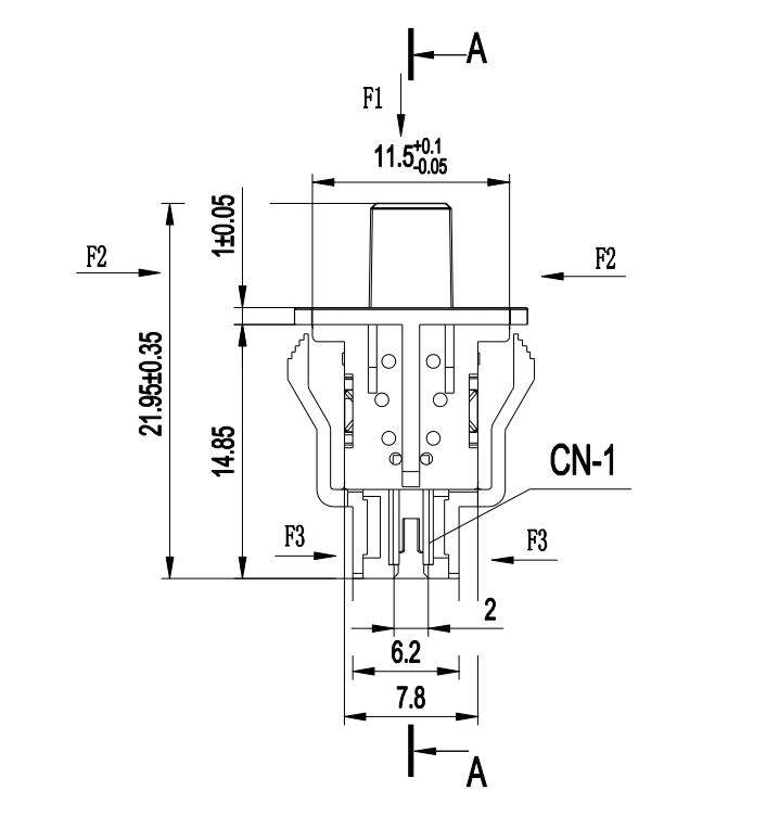
开关行程
6.2 ± 0.35mm
操作力
80 ± 20 gf

产品规格书 /SPECIFICATIONS






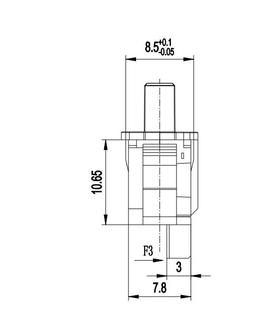
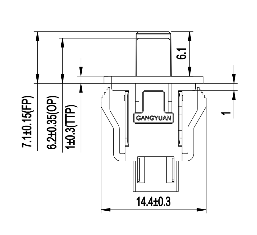
安装孔尺寸图 /MOUNTING HOLE DIMENSIONS


电路图 /SCHEMATIC


应用行业 /BY INDUSTRY

主要应用在:复印机,激光打印机,喷墨打印机等。

功能为:纸张检测,开盖检测等


联系方式

手机: 13917138067  

电话:021-64128995     021-64120224 

邮箱:hq@hqelec.com