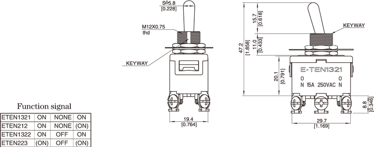
E-TEN(B)-6P
ETEN1321 ETEN212 ETEN1322 ETEN223
详情
产品分类
- ALPS-阿尔卑斯
- APEM-阿贝
- C-KSwitch
- ★C&K
- Carling-嘉灵
- CTS-西迪斯
- ★DAILYWELL-德利威
- DICGU
- ★DIPTRONICS-圜达
- ECE-百容
- E-SWITCH
- ★GangYuan-港源
- ★Hampolt/plaimae
- HARTMANN
- HIGHLY-海立
- HONGJU-宏聚
- HUANLI-寰立
- HRO-韩荣
- ITW/LUMEX-安天德
- JICTEN
- ★JIETONG
- ★KE-广督
- ★KNLN-金隆
- Light Country-亮群
- MEC
- ★T-MEC(Misaki)-美琪
- NIDEC-COPAL
- ★NKK-日开
- ★OMRON-欧姆龙
- OTAX
- SAB(BIWIN)
- ★SALECOM-兴瀚
- SMK-艾斯艾姆开
- ★SMSWITCH-艾斯艾姆
- SUNGMUN-星炆
- TACLEX
- WB-雄美
- XKB
- YONGXING-永星
- ZF
- ZINGEAR-晋煜
- ★ZIPPY-新巨
- 产品分类
联系方式
上海汇勤电子科技有限公司 电话:021-64128995 021-64120224
手机:13917138067 邮箱:hq@hqelec.com
