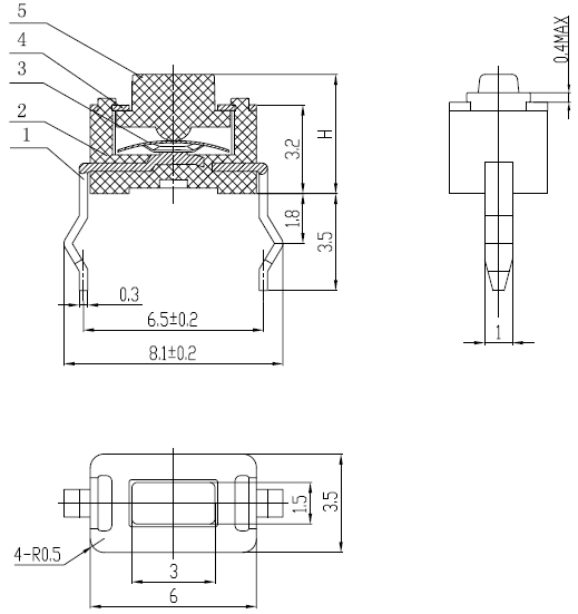
KAN3511B_6×3.5×H=4.3/5mm

KAN3511B_6×3.5×H=4.3/5mm


产品型号:KAN3511B
产品名称:直插式(DIP)轻触开关
产品规格:6×3.5×H/H=4.3mm/5mm
产品力度:160gf/260gf

基本参数 /PARAMETER

工作温度 -20℃to+70℃
额定电流 50mA.12V DC
绝缘电阻 100mΩ min.100V DC
介电强度 250V AC for 1 min
接触电阻 100 mΩ  max
开关行程 0.25±0.1mm
高  度 4.3/5mm
按  力 160gf/260gf

外形图 /SPECIFICATIONS


安装孔尺寸图 /MOUNTING HOLE DIMENSIONS



电路图 /SCHEMATIC



焊接条件 /WELDING CONDITIONS




联系方式

手机: 13917138067  

电话:021-64128995     021-64120224 

邮箱:hq@hqelec.com