基本参数 /PARAMETER
| 工作温度 | -10℃~+60℃ |
| 额定电流 | DC30V 0.1A |
| 绝缘电阻 | ≥100MΩ. |
| 介电强度 | 250V AC for 1 min |
| 接触电阻 | 500mΩ以下 |
| 回路方式 | 单极开闭常时开 |
| 高 度 | 13.3mm |
| 按 力 | 不大于1N. |
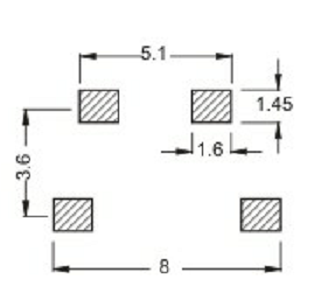
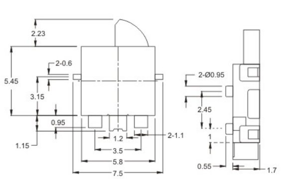
外形图
/SPECIFICATIONS
|
产品型号:KS011011 产品名称:检测开关 产品规格:3.55*4.75*3.75 产品寿命:5-10万次 |
| 工作温度 | -10℃~+60℃ |
| 额定电流 | DC30V 0.1A |
| 绝缘电阻 | ≥100MΩ. |
| 介电强度 | 250V AC for 1 min |
| 接触电阻 | 500mΩ以下 |
| 回路方式 | 单极开闭常时开 |
| 高 度 | 13.3mm |
| 按 力 | 不大于1N. |
外形图
/SPECIFICATIONS
手机: 13917138067
电话:021-64128995 021-64120224
邮箱:hq@hqelec.com