KAM7538-D1

KAM7538-D1


产品型号:KAM7538-D1
产品名称:检测开关
产品规格:3.8*7.5*6
产品寿命:5-10万次

基本参数 /PARAMETER

工作温度 -10℃~+60℃
额定电流 DC30V 0.1A
绝缘电阻 ≥100MΩ.
介电强度 250V AC for 1 min
接触电阻 500mΩ以下
回路方式 单极开闭常时开
高  度 13.3mm
按  力 不大于1N.

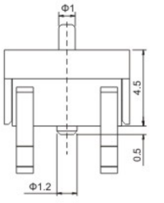
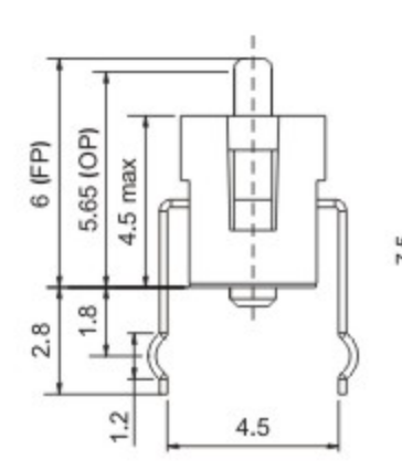
外形图 /SPECIFICATIONS


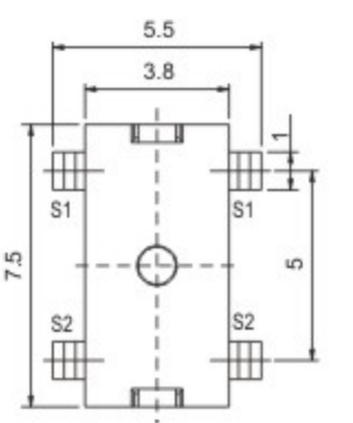
安装孔尺寸图 /MOUNTING HOLE DIMENSIONS


电路图 /SCHEMATIC


焊接条件 /WELDING CONDITIONS

联系方式

手机: 13917138067  

电话:021-64128995     021-64120224 

邮箱:hq@hqelec.com