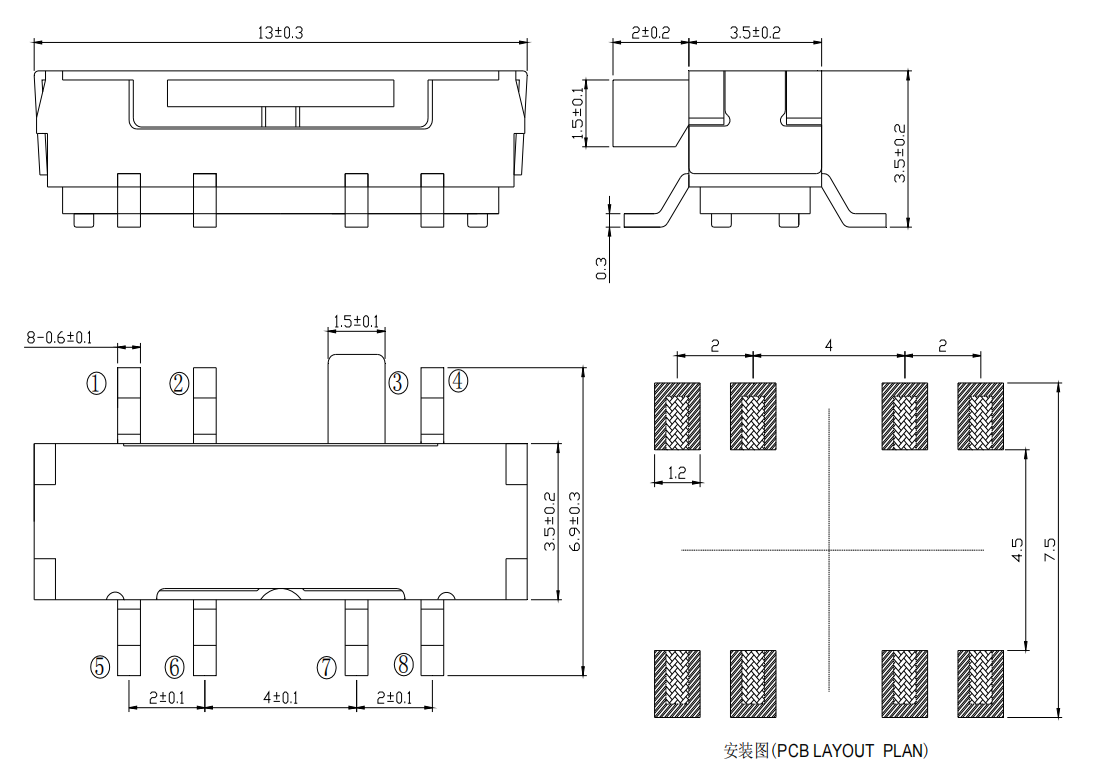
产品规格书 /SPECIFICATIONS
安装孔尺寸图
/MOUNTING HOLE DIMENSIONS
电路图
/SCHEMATIC
|
型号:SK23D07 贴片拨动开关 操作力:200gf±50gf 使用寿命:10000次 |
产品规格书 /SPECIFICATIONS
安装孔尺寸图
/MOUNTING HOLE DIMENSIONS
电路图
/SCHEMATIC
手机: 13917138067
电话:021-64128995 021-64120224
邮箱:hq@hqelec.com