G15-03SM40-100-621
产品型号:G15-03SM40-100-621
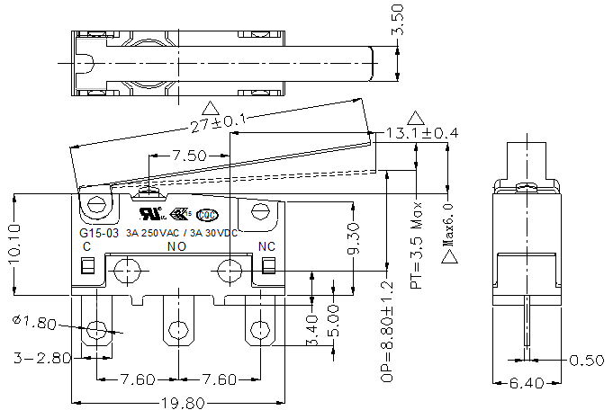
规格:12.8mm*6.4mm*10mm
操作力:100gf
类型:微动
特点:针脚
规格:12.8mm*6.4mm*10mm
操作力:100gf
类型:微动
特点:针脚
详情
基本参数 /PARAMETER
| 工作温度 | -40℃to+80℃ |
| 额定电流 | 3A 250V AC/3A 30V DC |
| 绝缘电阻 | ≥100MΩ min.100V DC |
| 耐电压 | 1000V AC 1MIN |
| 接触电阻 | ≤100m Ω max |
| 寿 命 | 50000 |
| 防 水 | IP67 |
| 按 力 | 100gf |
产品规格书 /SPECIFICATIONS
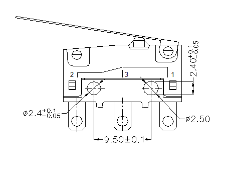
安装孔尺寸图
/MOUNTING HOLE DIMENSIONS
电路图
/SCHEMATIC
产品分类
- ALPS-阿尔卑斯
- APEM-阿贝
- C-KSwitch
- ★C&K
- Carling-嘉灵
- CTS-西迪斯
- ★DAILYWELL-德利威
- DICGU
- ★DIPTRONICS-圜达
- ECE-百容
- E-SWITCH
- ★GangYuan-港源
- ★Hampolt/plaimae
- HARTMANN
- HIGHLY-海立
- HONGJU-宏聚
- HUANLI-寰立
- HRO-韩荣
- ITW/LUMEX-安天德
- JICTEN
- ★JIETONG
- ★KE-广督
- ★KNLN-金隆
- Light Country-亮群
- MEC
- ★T-MEC(Misaki)-美琪
- NIDEC-COPAL
- ★NKK-日开
- ★OMRON-欧姆龙
- OTAX
- SAB(BIWIN)
- ★SALECOM-兴瀚
- SMK-艾斯艾姆开
- ★SMSWITCH-艾斯艾姆
- SUNGMUN-星炆
- TACLEX
- WB-雄美
- XKB
- YONGXING-永星
- ZF
- ZINGEAR-晋煜
- ★ZIPPY-新巨
- 产品分类
联系方式
上海汇勤电子科技有限公司 电话:021-64128995 021-64120224
手机:13917138067 邮箱:hq@hqelec.com
