基本参数 /PARAMETER
| 工作温度 | -20℃to+70℃ |
| 额定电流 | 50mA.12V DC |
| 绝缘电阻 | 100MΩ min.100V DC |
| 介电强度 | 250V AC for 1 min |
| 接触电阻 | 100m Ω max |
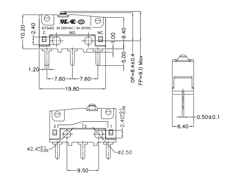
产品规格书 /SPECIFICATIONS
电路图 /SCHEMATIC
| 工作温度 | -20℃to+70℃ |
| 额定电流 | 50mA.12V DC |
| 绝缘电阻 | 100MΩ min.100V DC |
| 介电强度 | 250V AC for 1 min |
| 接触电阻 | 100m Ω max |
手机: 13917138067
电话:021-64128995 021-64120224
邮箱:hq@hqelec.com