KAN1216_12×12×H=4.3-17mm

KAN1216_12×12×H=4.3-17mm


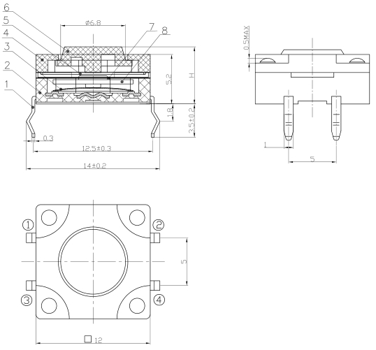
产品型号:KAN1216
产品名称:直插式(DIP)防水轻触开关
产品规格:12×12×H/H=4.3mm-17mm
产品寿命:6万次
防水等级:IP67

基本参数 /PARAMETER

工作温度 -20℃to+70℃
额定电流 50mA.12V DC
绝缘电阻 100mΩ min.100V DC
介电强度 250V AC for 1 min
接触电阻 100 mΩ  max
开关行程 0.35±0.1mm
高  度 4.3mm-17mm
按  力 160gf/260gf

外形图 /SPECIFICATIONS



安装孔尺寸图 /MOUNTING HOLE DIMENSIONS



电路图 /SCHEMATIC



焊接条件 /WELDING CONDITIONS


联系方式

手机: 13917138067  

电话:021-64128995     021-64120224 

邮箱:hq@hqelec.com