TS-2122
详情
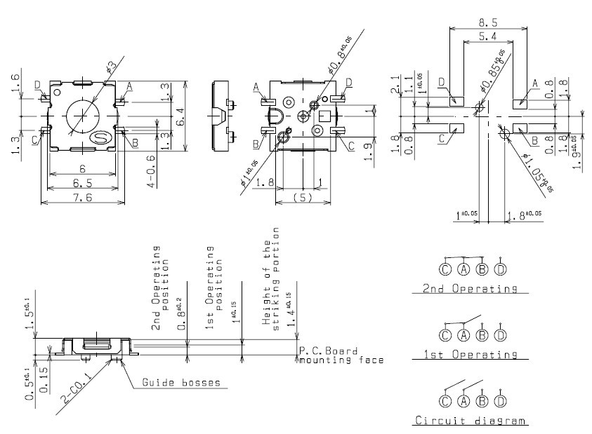
TS-2122 Series Dual Action Tactile Switch
·6.5mm x 6.4mm tactile switch
·两档开关(照相开关)
·1st 1000mN,2nd 3500mN
·Surface mount design
·Silver plated contacts
Typical Specifications
1.Rating : 50mA 12V DC
2.Traving : 1st 0.25 . ALL 0.4
Center push : 0.15mm
3.Operating force :With 1st click feeling type ; 1st 1000mN,2nd 3500mN
4.Contact Resistance : 100mз max
5.With 1st click feeling type ; 30,000 cycles
Without 1st click feeling type ; 100,000 cycles
TS-2122系列双作用触觉开关
·6.5毫米x 6.4毫米触觉开关
·两档开关(照相关开关)
·第1个1000MN,第2个3500MN
·表面安装设计
·镀银触点
典型规格
1.额定值:50mA 12V dc
2.行程:第一个0.25。全部0.4
中心推力:0.15mm
3.操作力:一键式;一键式1000MN,二键式3500MN。
4.接触电阻:最大100米。
5.第一次点击感觉类型;30000次循环
无第一次点击感觉类型;100000次循环
- ALPS-阿尔卑斯
- APEM-阿贝
- C-KSwitch
- ★C&K
- Carling-嘉灵
- CTS-西迪斯
- ★DAILYWELL-德利威
- DICGU
- ★DIPTRONICS-圜达
- ECE-百容
- E-SWITCH
- ★GangYuan-港源
- ★Hampolt/plaimae
- HARTMANN
- HIGHLY-海立
- HONGJU-宏聚
- HUANLI-寰立
- HRO-韩荣
- ITW/LUMEX-安天德
- JICTEN
- ★JIETONG
- ★KE-广督
- ★KNLN-金隆
- Light Country-亮群
- MEC
- ★T-MEC(Misaki)-美琪
- NIDEC-COPAL
- ★NKK-日开
- ★OMRON-欧姆龙
- OTAX
- SAB(BIWIN)
- ★SALECOM-兴瀚
- SMK-艾斯艾姆开
- ★SMSWITCH-艾斯艾姆
- SUNGMUN-星炆
- TACLEX
- WB-雄美
- XKB
- YONGXING-永星
- ZF
- ZINGEAR-晋煜
- ★ZIPPY-新巨
- 产品分类
上海汇勤电子科技有限公司 电话:021-64128995 021-64120224
手机:13917138067 邮箱:hq@hqelec.com
