SIQ
详情
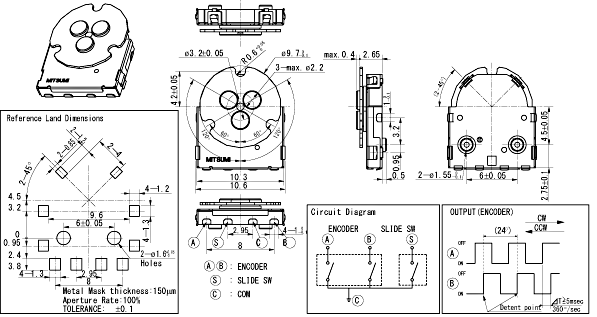
SIQ Series slide and rotary encoder switches
·11.1mm x 10mm tactile switch
·slide and rotary encoder switches
·Surface mount design
【特点】
1.小型(11.1×10mm),实装面积小。
2.旋转式编码器有15个位置。
3.滑动开关可与旋转式编码器进行复合操作。
4.旋转式编码器+滑动开关使用例。可用作菜单选择+确定的功能键。
5.将回流焊接后安装操作盘的规格系列化。通过后期安装,消除了进行回流焊接时产生的操作盘变色。
6.可进行SMT、回流焊。
7.无按钮型可以在装置实装后再安装顾客设计的按钮。
【主要用途】
1.CD、MD播放器、PDA、数字静像照相机、其他便携式产品用复合操作开关。
【规格】
[电气特性]
额定:DC 5V 10mA
接触电阻:1Ω以下
[机械特性]
动作力:2~6N(滑片部)
旋转转矩:1~10mN*m(旋转式编码器部)
[使用寿命]
50,000次(滑片部)
50,000次(旋转式编码器部)
【外形图】
SIQ-02FVS3
SIQ-02FVD3
- ALPS-阿尔卑斯
- APEM-阿贝
- C-KSwitch
- ★C&K
- Carling-嘉灵
- CTS-西迪斯
- ★DAILYWELL-德利威
- DICGU
- ★DIPTRONICS-圜达
- ECE-百容
- E-SWITCH
- ★GangYuan-港源
- ★Hampolt/plaimae
- HARTMANN
- HIGHLY-海立
- HONGJU-宏聚
- HUANLI-寰立
- HRO-韩荣
- ITW/LUMEX-安天德
- JICTEN
- ★JIETONG
- ★KE-广督
- ★KNLN-金隆
- Light Country-亮群
- MEC
- ★T-MEC(Misaki)-美琪
- NIDEC-COPAL
- ★NKK-日开
- ★OMRON-欧姆龙
- OTAX
- SAB(BIWIN)
- ★SALECOM-兴瀚
- SMK-艾斯艾姆开
- ★SMSWITCH-艾斯艾姆
- SUNGMUN-星炆
- TACLEX
- WB-雄美
- XKB
- YONGXING-永星
- ZF
- ZINGEAR-晋煜
- ★ZIPPY-新巨
- 产品分类
上海汇勤电子科技有限公司 电话:021-64128995 021-64120224
手机:13917138067 邮箱:hq@hqelec.com
