0018
详情
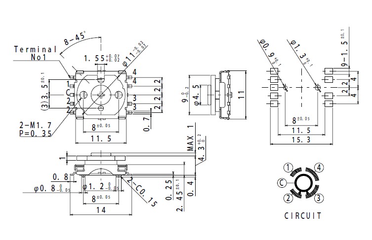
0018系列旋转开关
·11.5毫米x 11毫米触觉开关
·旋转开关
·表面安装设计
典型规格
额定值(最大值)(电阻负载)1 mA 5 V dc(最大值0.1 A 15 V dc)
接触电阻最大200毫欧姆(初始)
绝缘电阻100兆欧,最小100伏直流电
耐电压100V AC 1分钟
扭矩1.3N-cm(无咔嗒感类型:<0.4N-cm)
使用寿命10000个周期
工作温度范围-20至+70摄氏度
存储温度范围-40至+85摄氏度(胶带除外)
联系方式
上海汇勤电子科技有限公司 电话:021-64128995 021-64120224
手机:13917138067 邮箱:hq@hqelec.com
