PB21E08431

PB21E08431


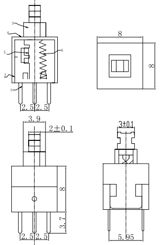
产品名称:无锁开关
产品规格:8mm×8mm
产品型号:PB21E08
操作力度:180g/250g

基本参数 /PARAMETER

工作温度 -25℃to+80℃
额定负荷 DC   30V   0.1A  
绝缘电阻 100mΩ DC 250V 
接触电阻 100m Ω
产品寿命 10000次

外形图 /SPECIFICATIONS


安装孔尺寸图 /MOUNTING HOLE DIMENSIONS


电路图 /SCHEMATIC

焊接条件 /WELDING CONDITIONS

联系方式

手机: 13917138067  

电话:021-64128995     021-64120224 

邮箱:hq@hqelec.com